您好!欢迎访问合肥仁楷智能装备有限公司官网!
咨询热线:
138-1681-8164
网站首页
关于仁楷
公司简介
企业文化
产品中心
高压系列
低压系列
通用产品
新闻资讯
服务与支持
联系我们
网站首页
关于仁楷
公司简介
企业文化
产品中心
高压系列
低压系列
通用产品
新闻资讯
服务与支持
联系我们
产品中心
为您带来性能稳定、安全耐用、价格实惠的高性价比选择
当前位置:
首页
产品中心
通用产品
产品中心
高压系列
低压系列
通用产品
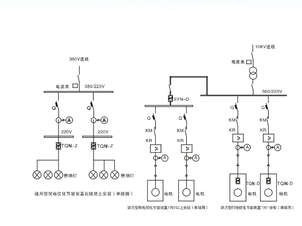
动力型配电优化节能装置RKN-D
基本原理:
RKN-D动力型电能优化装置,根据电机的的工作特性,采用电能质量监控技术和电磁调节技术,软启动技术,动态跟踪分析电机运行状态,在保持正常运转,不改变转速的前提下,是电机的输出转矩与负载实际需要的功率匹配,同时可以提高设备的功率因素,抑制线路中的顺流和浪涌,改善系统的电力品质,并大幅度降低了负载因涡流、高频谐波分量的影响而造成电量损耗,可达到有效节能和净化的目的。
应用范围:
适用于各种高压和低压三相异步电机
上一条:
三相电压电流表
下一条:
RKDMH电气火灾自动报警灭火系统
返回列表
立即咨询:138 1681 8164